Каталог
Каталог Написать в WhatsApp
Мотоэкипировка

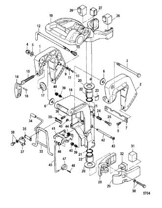
Зажим и поворотные кронштейны 2-х тактного ПЛМ MERCURY 9.9 MH 169CC Серийный номер от 0N007788 до 0N055109

Зажим и поворотные кронштейны 2-х тактного ПЛМ MERCURY 9.9 MH 169CC Серийный номер от 0N007788 до 0N055109 в Новосибирске: актуальный каталог, цены, фото, описание. Купите зажим и поворотные кронштейны 2-х тактного плм mercury 9.9 mh 169cc серийный номер от 0n007788 до 0n055109 в кредит – оформите заявку онлайн за 1 минуту!

Оригинальные запчасти

Артикул НАИМЕНОВАНИЕ Кол-во деталей в узле Примечание Наличие Цена Аналоги Фото
1 9622T6 BRACKET, Clamp (Starboard)

Под заказ

1

Под заказ

уточнить

Купить
2 96231 BRACKET, Clamp (Port)

Под заказ

1

Под заказ

уточнить

Купить
3 898101337 Болт (SCREW)

Под заказ

1

Под заказ

уточнить

Купить
4 815088 NUT (M8)

Под заказ

1

Под заказ

уточнить

Купить
5 16192 Шайба (WASHER@10)

Под заказ

1

Под заказ

уточнить

Купить
6 161931 DISTANCE PLATE

Под заказ

1

Под заказ

уточнить

Купить
7 161951 Пружина (SPRING)

Под заказ

1

Под заказ

уточнить

Купить
8 16196 SCREW, CLAMP BRACKET SPRING

Под заказ

1

Под заказ

уточнить

Купить
9 16197 WASHER, CLAMP BRACKET SPRING SCREW

Под заказ

1

Под заказ

уточнить

Купить
10 8150931 SPRING

Под заказ

1

Под заказ

уточнить

Купить
11 803772T01 SWIVEL BRACKET

Под заказ

1

Под заказ

уточнить

Купить
12 803773T01 Вал рулевого управления (SHAFT-STEERING)

Под заказ

1

Под заказ

уточнить

Купить
13 8037741 THRUST PLATE

Под заказ

2

Под заказ

уточнить

Купить
14 8126412 O-RING

Под заказ

2

Под заказ

уточнить

Купить
15 163366 Втулка (BUSHING)

Под заказ

2

Под заказ

уточнить

Купить
16 162052 FRICTION PLATE

Под заказ

1

Под заказ

уточнить

Купить
17 953831 SPRING

Под заказ

1

Под заказ

уточнить

Купить
18 4000354 Винт (SCREW, BEARING CARRIER)

Под заказ

1

Под заказ

уточнить

Купить
19 8037753 RUBBER, Mount

Под заказ

2

Под заказ

уточнить

Купить
20 8037781 RUBBER, Damper

Под заказ

1

Под заказ

уточнить

Купить
21 803776T08 Держатель (BRACKET)

Под заказ

1

Под заказ

уточнить

Купить
22 803776T09 BRACKET

Под заказ

1

Под заказ

уточнить

Купить
23 8M0102279 BOLT

Под заказ

2

Под заказ

уточнить

Купить
24 8037754 RUBBER, Mount, Lower (Side)

Под заказ

2

Под заказ

уточнить

Купить
25 8037755 RUBBER, Mount, Lower (Front)

Под заказ

1

Под заказ

уточнить

Купить
26 815094A04 TILT STOP ASSY

Под заказ

1

Под заказ

уточнить

Купить
27 813028 Пружина (SPRING@5)

Под заказ

1

Под заказ

уточнить

Купить
28 16210002 SET PLATE

Под заказ

1

Под заказ

уточнить

Купить
29 162111 Болт (BOLT)

Под заказ

2

Под заказ

уточнить

Купить
30 824969 Фиттинг (FITTING, Grease)

Под заказ

2

Под заказ

уточнить

Купить
31 8040451 REVERSE LOCK

Под заказ

1

Под заказ

уточнить

Купить
32 8040461 REVERSE LOCK SHAFT

Под заказ

1

Под заказ

уточнить

Купить
33 804905 Пружина (SPRING)

Под заказ

1

Под заказ

уточнить

Купить
34 8037871 REVERSE LOCK LINK

Под заказ

1

Под заказ

уточнить

Купить
35 804906 JOINT

Под заказ

1

Под заказ

уточнить

Купить
36 8150267 Штифт (COTTER PIN)

Под заказ

1

Под заказ

уточнить

Купить

Нулевая цена не означает отсутствие товара. Оформите заказ, и менеджер сообщит вам цену и наличие товара, предварительно запросив их у поставщика

Главная Магазины
Корзина0
Профиль